+86 15603181870
amy@chnhose.com
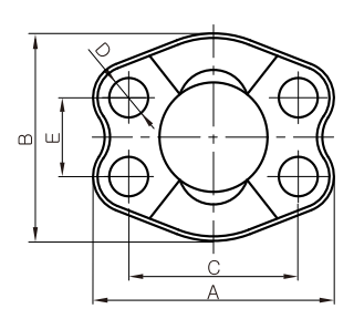
Зажимы для целого фланца sae 6000 psi iso 6162-1-sae j518
| PART NO. | FLANGE SIZE | DIMENSIONS | BOLT | WORKING PRESSURE | |||
| A | B | C | E | ||||
| FS-08W FS-08WUN FS-12W FS-12WUN FS-16W FS-16WUN FS-20W FS-20WUN FS-24W FS-24WUN FS-32W FS-32WUN |
1/2″ 1/2″ 3/4″ 3/4″ 1″ 1″ 1.1/4″ 1.1/4″ 1.1/2″ 1.1/2″ 2″ 2″ |
56.4 56.4 71.4 71.4 81.2 81.2 95.2 95.2 112.8 112.8 133.4 133.4 |
47.2 47.2 60 60 69.6 69.6 77.2 77.2 954 95 113.8 113.8 |
40.5 40.5 50.8 50.8 57.2 57.2 66.7 66.7 79.4 79.4 96.8 96.8 |
18.2 18.2 23.8 23.8 27.8 27.8 31.8 31.8 36.6 36.6 44.4 44.4 |
M8X30 5/16″-18X1.1/2″ M10X35 3/8″-16X1.1/2″ M12X45 7/16″-14X1.3/4″ M14X45 1/2″-13X1.3/4″ M16X55 5/8″-11X2.1/4″ M20X70 3/4″-10X2.3/4 |
42 42 42 42 42 42 42 42 42 42 42 42 |
Примечание: Болты должны быть заказаны отдельно