+86 15603181870
amy@chnhose.com
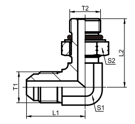
90° метрический мужской 74° конус/sae O-кольцо босс l-серия iso 11926-3
| PART NO. | THREAD | DIMENSIONS | Mpa | |||||
| T1 | T2 | L1 | L2 | 1 | S2 | |||
| 1QO9-16-06OG 1QO9-18-08OG 1QO9-22-10OG 1QO9-27-12OG 1QO9-30-12OG 1QO9-33-16OG 1QO9-39-16OG 1QO9-42-20OG |
M16X1.5 M18X1.5 M22X1.5 M27X1.5 M30X1.5 M33X1.5 M39X2 M42X2 |
9/16″X18 3/4″X16 7/8″X14 1.1/16″X12 1.1/16″X12 1.5/16″X12 1.5/16″X12 1.5/8″X12 |
30.5 31.5 34 37.5 42.8 47 50 52.5 |
31.8 36.8 44 51 53 54.5 59.5 59 |
16 19 22 27 30 33 41 46 |
17 22 27 32 32 41 41 50 |
25 25 20 20 20 16 16 10 |
|