+86 15603181870
amy@chnhose.com
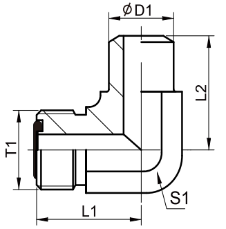
90° метрический мужской O-кольц/стыковая сварная труба
| PART NO | THREAD | TUBE O.D | DIMENSIONS | W.P | ||
| T1 | D1 | L1 | L2 | 1 | Mpa | |
| 1EW9-12-06 1EW9-14-08 1EW9-16-10 1EW9-18-12 1EW9-22-14 1EW9-27-18 1EW9-30-22 1EW9-36-28 1EW9-39-30 1EW9-42-34 1EW9-45-38 1EW9-52-42 |
M12X1.25 M14X1.5 M16X1.5 M18X1.5 M22X1.5 M27X1.5 M30X1.5 M36X2 M39X2 M42X2 M45X2 M52X2 |
6 8 10 12 14 18 22 28 30 34 38 42 |
20.5 22.5 24 26 29 32.5 35.5 42 47.5 49.5 52.5 57 |
16.5 17.5 19.5 25 27 29.5 33.5 39 43 43 47.5 50 |
12 14 17 19 22 27 30 36 41 41 46 50 |
63 63 63 63 63 40 40 40 25 25 25 25 |